

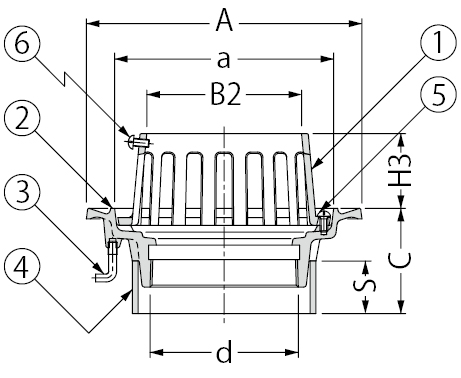
| 呼称 | A | a | B2 | C | スペーサー | ねじ径d | H3 | |
|---|---|---|---|---|---|---|---|---|
| 規格 | 長さS | |||||||
| 50 | 150 | 107 | 64 | 70〜 | SU 75 | C−40 | Rc2 | 57 |
| 75 | 185 | 142 | 93 | 70〜 | VU100 | C−40 | Rc3 | 57 |
| 100 | 210 | 167 | 118 | 70〜 | VU125 | C−40 | Rc4 | 57 |
| 125 | 240 | 197 | 145 | 70〜 | VU150 | C−40 | Rc5 | 57 |
| 150 | 265 | 222 | 170 | 70〜 | LP180 | C−40 | Rc6 | 57 |
| 部番 | 品名 | サイズ | 数量 | 備考 | ||||
|---|---|---|---|---|---|---|---|---|
| 50 | 75 | 100 | 125 | 150 | ||||
| D | 丸小ねじ | M6×12 | M6×12 | M6×12 | M6×12 | M6×12 | 2 | − |
| E | 丸小ねじ | M6×12 | M6×12 | M6×12 | M6×12 | M6×12 | 3 | − |