- ホーム
- 製品情報
- 鋳鉄製ルーフドレン
- EWMDF-1
カネソウのルーフドレン情報はこちら
鋳鉄製ルーフドレン
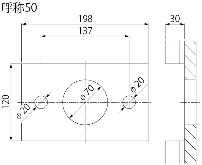
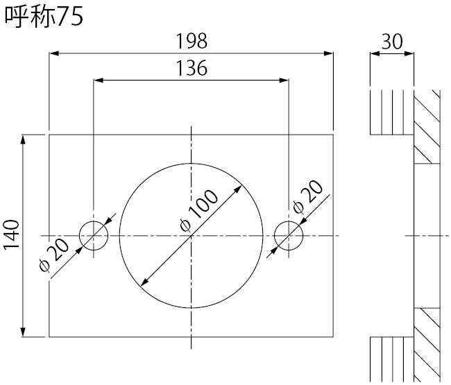
外廊下排水用 みぞ底幅150mm(呼称50)・みぞ底幅170mm(呼称75)
たて引き用 木付け用 差し込み式
塗膜防水用
製品符号:EWMDF-1
使用場所:バルコニー、廊下、踊場
製品写真
製品の特徴
- 木造、木下地への取り付けができます。
- みぞ底幅150mm/170mmのみぞにコンパクトに納めることができます。
- 円形のルーフドレンと比較して、バルコニー、廊下の使用スペースが広げられます。
- 人通りの多い場所でもお使いいただけるように、ストレーナーの形状をフラットにしています。
EWMDF-1-50 施工例

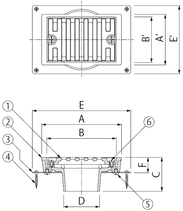
製品図面
部品構成
- ストレーナー
材質:FC150
処理:樹脂系塗装
- 本体
材質:FC150
処理:樹脂系塗装
- 固定金具
材質:SUS304
- 木ねじ
材質:SUS304
- 丸小ねじ
材質:SS400
処理:電気亜鉛めっき
- 丸小ねじ
材質:C2700W
木下地加工寸法


寸法表<単位:mm>
| 呼称 |
A |
A' |
B |
B' |
C |
D |
E |
E' |
F |
| 50 |
158 |
80 |
138 |
60 |
67 |
45 |
193 |
115 |
30 |
| 75 |
158 |
100 |
138 |
90 |
67 |
71 |
193 |
135 |
30 |
木ねじ・丸小ねじ寸法表
| 部番 |
品名 |
サイズ50 |
サイズ75 |
数量 |
備考 |
| C |
木ねじ |
4.1×38 |
4.1×38 |
4 |
− |
| D |
丸小ねじ |
M6×8 |
M6×8 |
2 |
− |
| E |
丸小ねじ |
M6×10 |
M6×10 |
2 |
− |