カネソウのフロアルーバー情報はこちら

フロアルーバー

ステンレス製 L型受枠(クッション付)

製品符号:RL-15P

製品写真

RL-15P


納まり図

RL-15P

拡大図

製品の特徴

  • ステンレス製のフロアルーバー用受枠です。
  • 空調機器をピット内に直接設置する場合に適した受枠です。
  • 対応のフロアルーバーは下記をご覧ください。
    ステンレス製ノンスリップタイプ LQ-15
    ステンレス製プレーンタイプ LV-15
    アルミニウム製プレーンタイプ ALV-15A

製品図面

RL-15P

断面詳細


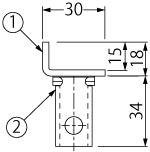
RL-15P

部品構成

  1. 本体
    材質:SUS304
  2. アンカー
    材質:SECC
  3. クッション
    材質:クロロプレンゴム

設計情報

  1. フロアルーバーの設置は窓際としてください。
  2. 歩行用の荷重強度(3,500N/u)を有しますが、人が頻繁に通行する場所への設置は適しません。

注文・発注情報

  1. 受枠継目部にジョイントピース(ズレ止め)を注文装着できます。
    ご注文時にご指示ください。

価格

製品名 価格(円/両側1m) 図面・施工要領書等
RL-15P 10,600 cad図面dxf図面DWG図面ご使用願い図
※コーナー加工費は直角1ヶ所当り1,800円になります。
※価格には消費税は含まれておりません。