ホーム
ワンポイント情報
EXジョイント
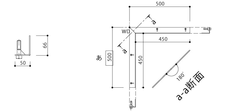
床部免震エキスパンションジョイント 平面コーナー部の寸法の取り方について
製品分類:EXジョイント
分類番号:P181225
更新日:―
床部免震エキスパンションジョイントにおいて、非免震部側に向けて水勾配を設ける場合は、平面コーナー部の寸法の取り方について注意が必要です。
MX77VTEF-U-M用の受枠で一例を示します。
通常の平勾配の場合
5°勾配の場合、受枠のコーナ部は172.91°の山折れとなる。
角度の求め方については
P181113
を参照。
「あ」と「い」とで、寸法が変化することに注意が必要です。