- ホーム
- 製品情報
- ステンレス製ルーフドレン
- EBMB-1
カネソウのルーフドレン情報はこちら
ステンレス製ルーフドレン
たて引き用 打込型 差し込み式
塗膜防水用
モルタル防水用
製品符号:EBMB-1
使用場所:バルコニー中継
製品写真

製品図面

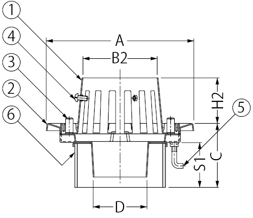
部品構成
- ストレーナー
材質:SUS304
処理:研磨
- 本体
材質:SUS304
処理:酸洗
- ナット
材質:SUS304
- 丸小ねじ
材質:SUS304
- アンカー
材質:SUS304
- スペーサー
材質:硬質ポリ塩化ビニル
付属部品
- 養生蓋
- 蝶ナット
- 長ねじボルト
- 位置決めプレート
施工情報
- C寸法は、スラブ下端からルーフドレン本体の取付高さを表す寸法です。スラブ厚に対して、C寸法をご指示いただき、スペーサー部品で取付高さを調整します。
注文・発注情報
- ご注文の際はC寸法をご指示ください。
<例>EBMB-1-100 C=120
寸法表<単位:mm>
| 呼称 |
A |
B2 |
C |
スペーサー |
D |
H2 |
| 規格 |
長さS1 |
| 75 |
185 |
93 |
80〜 |
VU100 |
C−25 |
72 |
57 |
| 100 |
210 |
118 |
80〜 |
VU125 |
C−25 |
95 |
57 |
ナット・丸小ねじ寸法表
| 部番 |
品名 |
サイズ |
数量 |
備考 |
| 75 |
100 |
| B |
ナット |
M6 |
M6 |
2 |
− |
| C |
丸小ねじ |
M6×12 |
M6×12 |
3 |
− |