カネソウのスクリーナー情報はこちら
スクリーナー
ステンレス製 玄関マット用(すきま2mm)ノンスリップタイプ
製品符号:SCN-M
製品写真

製品の特徴
- マットの強度基準は両端自由支持の状態で建築基準法施行令第85条の積載荷重に基づき、3,500N/uの等分布荷重に耐える仕様です。
- 滑り抵抗係数C.S.R=0.4以上を確保したノンスリップタイプです。

- すきまは、ベビーカーや車いす、ハイヒールなどがスムーズに通行できる2mmです。
- すきまが細いため、落葉や小石などが落下しにくく、メンテナンスが容易です。
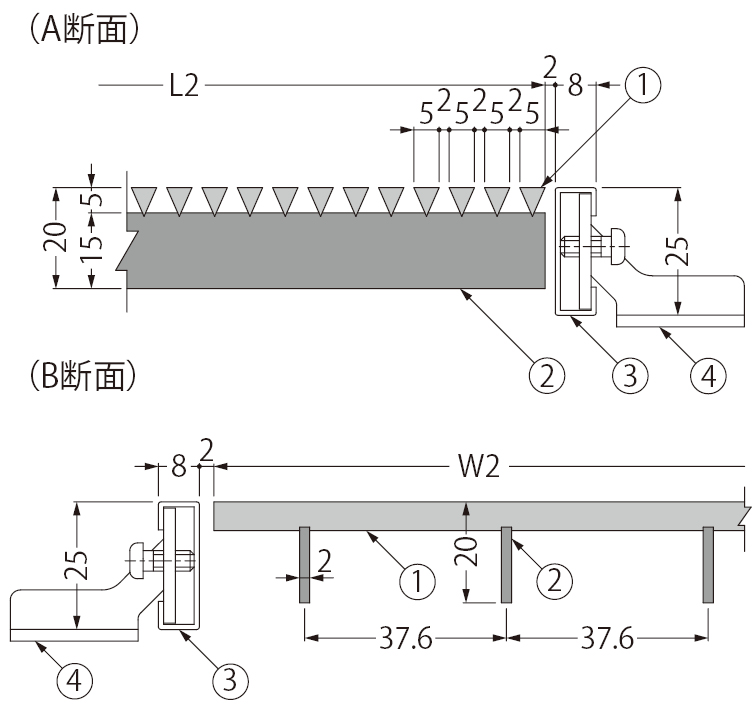
製品図面

断面詳細図

スクリーンワイヤー形状
部品構成
- スクリーンワイヤー
材質:SUS304
- サポートロッド
材質:SUS304
- 受枠
材質:SUS304
- アンカー
材質:SPHC
処理:電気亜鉛めっき
施工情報
- マット本体を持ち上げる際は、安全のためハンドルを4本使い、2人掛かりで行ってください。
注文・発注情報
- 標準品以外も製作致しますので、寸法をご指示ください。
寸法・質量表<単位:mm>
| 呼称 |
W1 |
L1 |
W2 |
L2 |
マット質量(kg) |
| 900×600 |
892 |
595 |
872 |
575 |
11.9 |
| 1200×600 |
1192 |
595 |
1172 |
575 |
16.0 |
| 1200×900 |
1192 |
894 |
1172 |
874 |
24.0 |
| 1500×900 |
1492 |
894 |
1472 |
874 |
30.2 |
| 1800×900 |
1792 |
894 |
1772 |
874 |
36.4 |
価格
| 製品符号−呼称 |
価格(円/枚) |
図面・施工要領書等 |
| 標準品(枠付) |
本体のみ |
| SCN-M 900×600 |
236,300 |
224,900 |
     |
| SCN-M 1200×600 |
296,300 |
280,900 |
     |
| SCN-M 1200×900 |
408,200 |
384,800 |
     |
| SCN-M 1500×900 |
489,800 |
460,400 |
     |
| SCN-M 1800×900 |
593,200 |
557,800 |
     |
※価格には消費税は含まれておりません。