


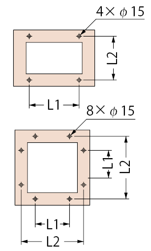
| 呼称 | A | A' | B | B' | C | C' | H | t | L1 | L2 | 鎖B型 | 把手数 | 
|---|---|---|---|---|---|---|---|---|---|---|---|---|
| 400×600 | 400 | 600 | 483 | 683 | 580 | 780 | 65 | 10 | 420 | 548 | φ6×500 | 2 | 
| 500×700 | 500 | 700 | 585 | 785 | 680 | 880 | 65 | 11 | 470 | 648 | φ6×500 | 2 | 
| 600×600 | 600 | 600 | 690 | 690 | 790 | 790 | 75 | 12 | 420 | 758 | φ6×500 | 2 | 
| 600×800 | 600 | 800 | 690 | 890 | 790 | 990 | 75 | 8 | 520 | 758 | φ6×800 | 4 | 
| 600×900 | 600 | 900 | 690 | 990 | 790 | 1090 | 75 | 8 | 570 | 758 | φ6×800 | 4 | 
| 700×700 | 700 | 700 | 790 | 790 | 890 | 890 | 75 | 13 | 600 | 858 | φ6×800 | 2 | 
| 700×1000 | 700 | 1000 | 790 | 1090 | 890 | 1190 | 75 | 8 | 840 | 860 | φ6×800 | 4 | 
| 800×1200 | 800 | 1200 | 890 | 1290 | 990 | 1390 | 75 | 10 | 900×640 | 1360×960 | φ6×800 | 4 | 
| 900×900 | 900 | 900 | 990 | 990 | 1090 | 1090 | 75 | 8 | 740 | 1060 | φ6×800 | 4 | 
| 900×1200 | 900 | 1200 | 990 | 1290 | 1090 | 1390 | 75 | 10 | 900×740 | 1360×1060 | φ6×800 | 4 | 
| 呼称 | 蓋質量(kg) | 総質量(kg) | 破壊荷重 | 適用荷重 | 
|---|---|---|---|---|
| 400×600 | 44 | 79 | 60kN以上 | T-6 | 
| 500×700 | 64 | 108 | 60kN以上 | T-6 | 
| 600×600 | 74 | 119 | 60kN以上 | T-6 | 
| 600×800 | 72 | 132 | 60kN以上 | T-6 | 
| 600×900 | 98 | 160 | 60kN以上 | T-6 | 
| 700×700 | 97 | 158 | 60kN以上 | T-6 | 
| 700×1000 | 119 | 196 | 60kN以上 | T-6 | 
| 800×1200 | 157 | 248 | 60kN以上 | T-6 | 
| 900×900 | 145 | 227 | 60kN以上 | T-6 | 
| 900×1200 | 175 | 273 | 60kN以上 | T-6 |