ホーム
ワンポイント情報
EXジョイント
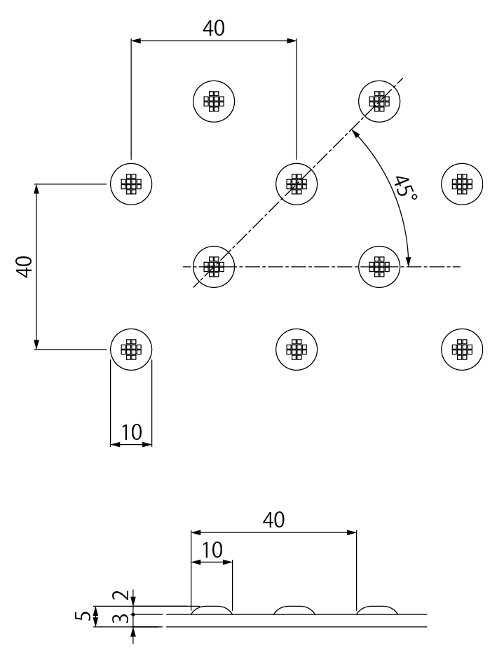
MX66R-FおよびMX66RB-Fの滑り防止パターンの寸法について
製品分類:EXジョイント
分類番号:P231120
更新日:―
EXジョイント免震構造建築用MX66R-FおよびMX66RB-Fの滑り防止パターンの寸法について下図のとおりとなります。
※製品ページはこちら:
MX66R-F
、
MX66RB-F