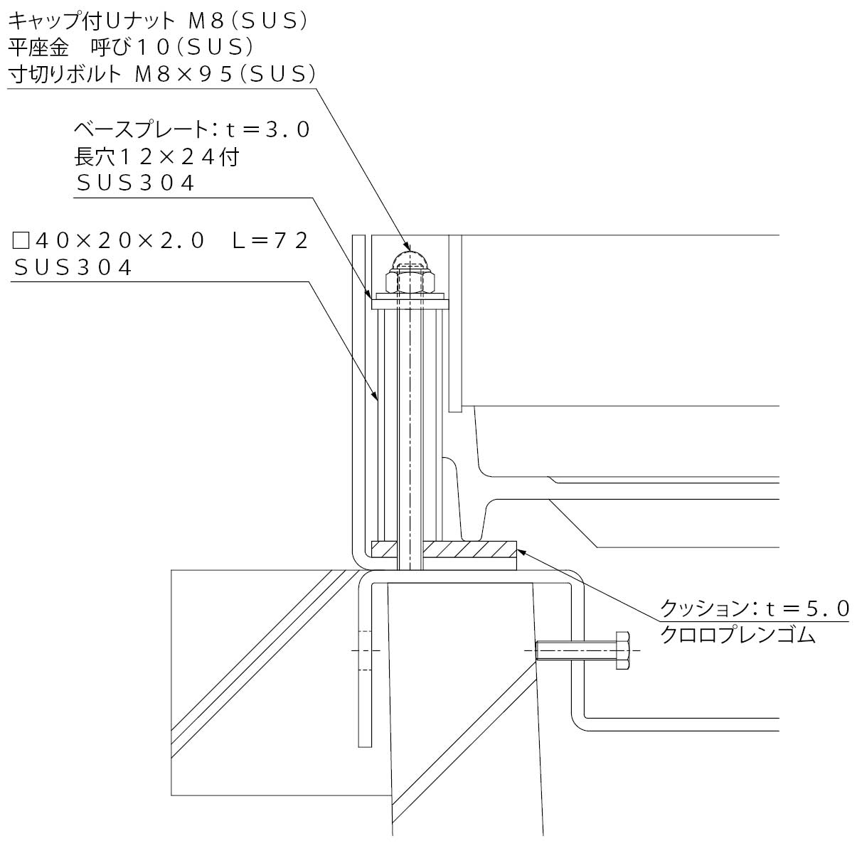
SIM・SIWをボルト固定式にした場合、受枠に固定するボルトの種類、サイズおよび、その他の部品構成は以下の通りとなります。
断面図と合わせてご認識お願いします。
・TL95P
六角ボルト:M8×95
キャップ付Uナット:M8
平座金:呼び10
・TL95PC
寸切りボルト:M8×95
キャップ付Uナット:M8
平座金:呼び10
TL95P

TL95PC

※製品ページはこちら:
SIM-14・
SIM-2・
SIM-14+TL95PC・
SIM-2+TL95PC・
SIW-14・
SIW-2
※SEM・SEWをボルト固定式にした場合の仕様は
こちら(P240403)