



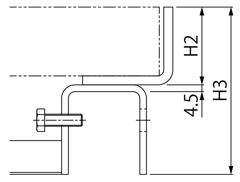
| みぞ幅 | HESM-2 | W1 | W2 | W3 | W4 | H1 | 開口面積(mm2) | 受枠呼称 | H2 | H3 |
|---|---|---|---|---|---|---|---|---|---|---|
| 蓋呼称 | ||||||||||
| 150 | 2560 | 150 | 251 | 270 | 216 | 66.2 | 14,198 | L-67C-U15 | 72.2 | 131.7 |
| 180 | 3060 | 200 | 301 | 320 | 266 | 73.2 | 14,198 | L-74C-U18 | 79.2 | 138.7 |
| 240 | 3560 | 250 | 351 | 370 | 316 | 79.2 | 14,198 | L-80C-U24 | 85.2 | 144.7 |
| 300 | 4060 | 300 | 401 | 420 | 366 | 85.2 | 14,198 | L-86C-U30 | 91.2 | 150.7 |
| 製品符号 | 呼称 | 蓋質量(kg) | 舗装材充填時の 蓋質量(約・kg) |
適用荷重 | 衝撃 |
|---|---|---|---|---|---|
| HESM-2 | 2560 | 7.4 | 18 | T-2 | i=0.1 |
| HESM-2 | 3060 | 8.9 | 22 | T-2 | i=0.1 |
| HESM-2 | 3560 | 10.3 | 26 | T-2 | i=0.1 |
| HESM-2 | 4060 | 11.9 | 30 | T-2 | i=0.1 |