カネソウのフロアーハッチ情報はこちら
フロアーハッチ
張物用(適合床材:3mm以下) 屋内外用 一般形
ステンレス製 蓋プレート厚2.5mm
適用荷重:歩行用
製品符号:MSEO-P
※呼称450は受注生産となります。
製品写真
製品の特徴
- 落し込み把手付の、ステンレス製です。
- 特殊サイズも製作可能です。
フロアーハッチ選定時の注意事項
- 張物用は、使用場所に注意が必要となります。こちらをご確認の上でご使用下さい。
規格対照表
| 規格名称 |
呼称(サイズ) |
| 公共建築協会評価対象品 |
450・600 |
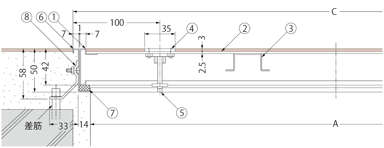
製品図面

(ア−ア断面) 納まり図

把手部平面詳細図

部品構成
- 蓋フレーム
材質:SUS304
- 蓋プレート
材質:SUS304
- 補強材
材質:SUS304
- 把手カバー
材質:SUS304
- 把手本体
材質:強化ナイロン
- 枠
材質:SUS304
- クッション
材質:軟質ポリ塩化ビニル
- アンカー
材質:SPHC
処理:電気亜鉛めっき
施工情報
- 蓋と受枠をセットした状態で施工を行ってください。
また、モルタルの圧力で蓋・受枠が変形する恐れがあります。必ず付属のスペーサーを蓋と受枠の間に差し込んでください。
注文・発注情報
- ご注文の際は、下記要領でご指示ください。
<例>MSEO-P-600
- 特殊サイズも製作可能です。C寸法をご指示ください。
- スラブコンクリート打設と同時にフロアーハッチを取り付ける事ができる、打込型フロアーハッチRSV-2を販売しています。
寸法・質量表<単位:mm>
| 呼称 |
A |
C |
質量(kg) |
張物時の蓋質量(約・kg) |
| 450 |
410 |
450 |
6.0 |
6.0 |
| 600 |
560 |
600 |
10.0 |
10.0 |