カネソウのスリットみぞ蓋シリーズ情報はこちら
カラー舗装用みぞ蓋
タイル用(充填深さ40mm) 側溝用 ステンレス目地付鋳鉄製蓋 目地すきま6mm/11mm
U字溝用固定金具付 クッション付ステンレス製受枠
適用荷重:T-2
カラー舗装用みぞ蓋の強度基準はこちらをご覧ください。
製品符号
蓋 :SEM-2
受枠:TL60PC
製品の特徴
- U字溝天端に、簡単に取り付けができ、工期短縮に貢献します。
- 車道に並行して設置する側溝用として使用できます。

- 厚さ40mmまでの舗装材を充填できる鋳鉄製、ステンレス目地の排水機能付みぞ蓋です。
- スリット排水目地のすきまは6mm(P=10)と11mm(P=15)の2タイプで、排水口を意識せずに通行できます。
- タイル目地割に適した蓋長さ600mmです。
- 目地部に凹凸を施した滑り止め模様付も製作できます。
- 強度はT-2用で、総重量2,000kgfまでの車両の乗り入れが可能です。
- 建物内、建物敷地内、公園敷地内、車道以外で、車両が走行することはまれで、走行することがあっても一時待避などで低速で走行するような、車両が乗り入れる可能性のある場所に設置できます。
※車両が頻繁に通行する場所や、フォークリフト等の特殊車両が通行する場所には適しません。
- クッション付受枠で、ガタツキや音の発生を防止します。
製品図面

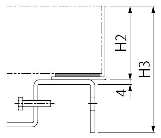
受枠詳細寸法

開口寸法
目地すきま6mm(P=10)
目地すきま11mm(P=15)
部品構成
- 蓋
材質:FC200
処理:樹脂系塗装
- 目地
材質:SUS304
- 受枠
材質:SUS304
- クッション
材質:クロロプレンゴム
- 固定金具
材質:SUS304
- 六角ボルト(M6×25)
材質:SUS304
別売部品
幅決めプレートについて
受枠には、幅決めプレートが溶接で仮固定されており、精度の高い受枠の施工ができます。

施工上の注意事項
幅決めプレートは、コンクリートが完全に硬化した後、取り外してください。コンクリートの打設前や硬化前に外しますと、受枠が変形し、製品の破損やガタツキの原因となります。
また、取り外しを忘れると、蓋本体が幅決めプレートの上に乗り上げて、ガタツキや異音の原因となります。
施工情報
- U字溝上端部と受枠下部とのすきまはモルタル等で埋めてください。
- 固定金具部分は、必ずコンクリートで根固めを行ってください。
注文・発注情報
- ご注文の際は、目地ピッチをご指示ください。
<例>目地ピッチ10mmの場合
蓋 :SEM-2-3060 P=10
受枠:TL60PC-U18
寸法表<単位:mm>
| みぞ幅 |
SEM |
W1 |
W2 |
W3 |
W4 |
L1 |
L2 |
H1 |
t |
開口面積(mm2) |
TL60PC クッション付 |
| 蓋呼称 |
P=10 |
P=15 |
受枠呼称 |
H2 |
H3 |
| 150 |
2560 |
150 |
240 |
250 |
184 |
599 |
591 |
60 |
7 |
16,776 |
20,504 |
U15 |
66 |
113 |
| 180 |
3060 |
200 |
290 |
300 |
234 |
599 |
591 |
60 |
7 |
16,776 |
20,504 |
U18 |
66 |
117 |
| 240 |
3560 |
250 |
340 |
350 |
284 |
599 |
591 |
60 |
7 |
16,776 |
20,504 |
U24 |
66 |
121 |
| 300 |
4060 |
300 |
390 |
400 |
334 |
599 |
591 |
60 |
7 |
16,776 |
20,504 |
U30 |
66 |
123 |
質量
| 製品符号 |
呼称 |
蓋質量(kg) |
舗装材充填時の蓋質量(約・kg) |
| SEM-2 |
2560 |
11 |
21 |
| SEM-2 |
3060 |
13 |
26 |
| SEM-2 |
3560 |
15 |
30 |
| SEM-2 |
4060 |
17 |
35 |
目地すきま6mm(P=10) 価格
| 適用荷重 |
蓋 |
受枠 |
価格 (円/セット) |
図面・施工要領書等 |
| 製品符号 |
呼称 |
価格 (円/m) |
製品符号 |
呼称 |
価格 (円/m) |
| T-2 |
SEM-2 |
2560 P=10 |
59,700 |
TL60PC |
U15 |
32,400 |
92,100 |
    |
| SEM-2 |
3060 P=10 |
65,300 |
TL60PC |
U18 |
32,400 |
97,700 |
    |
| SEM-2 |
3560 P=10 |
71,400 |
TL60PC |
U24 |
32,400 |
103,800 |
    |
| SEM-2 |
4060 P=10 |
79,300 |
TL60PC |
U30 |
32,400 |
111,700 |
    |
※本体は1m当り、受枠は両側1m当りの価格で、幅決めプレート加工を含んでいます。
※受枠のエンドプレート加工は、1ヶ所につき7,500円加算してください。
※受枠のコーナー加工は、1ヶ所につき2,500円加算してください。
※価格には消費税は含まれておりません。
目地すきま11mm(P=15) 価格
| 適用荷重 |
蓋 |
受枠 |
価格 (円/セット) |
図面・施工要領書等 |
| 製品符号 |
呼称 |
価格 (円/m) |
製品符号 |
呼称 |
価格 (円/m) |
| T-2 |
SEM-2 |
2560 P=15 |
50,500 |
TL60PC |
U15 |
32,400 |
82,900 |
    |
| SEM-2 |
3060 P=15 |
55,900 |
TL60PC |
U18 |
32,400 |
88,300 |
    |
| SEM-2 |
3560 P=15 |
62,000 |
TL60PC |
U24 |
32,400 |
94,400 |
    |
| SEM-2 |
4060 P=15 |
69,600 |
TL60PC |
U30 |
32,400 |
102,000 |
    |
※本体は1m当り、受枠は両側1m当りの価格で、幅決めプレート加工を含んでいます。
※受枠のエンドプレート加工は、1ヶ所につき7,500円加算してください。
※受枠のコーナー加工は、1ヶ所につき2,500円加算してください。
※価格には消費税は含まれておりません。
U字溝みぞ幅別の納まり詳細図
U字溝用固定金具付ステンレス製受枠は、みぞ幅によって納まりが異なります。納まりは下記の詳細図をご覧ください。
みぞ幅150mm
拡大図

みぞ幅180mm
拡大図

みぞ幅240mm
拡大図

みぞ幅300mm
拡大図
