- ホーム
- 製品情報
- 
カラー舗装用鉄蓋(化粧用鉄蓋)
- MRKW
カネソウのカラー舗装用鉄蓋情報はこちら
製品写真

 
製品の特徴
- 二重蓋構造の密閉形のカラー舗装用鉄蓋です。中蓋により、密閉性を確保しています。
- 充填深さは40mmで、厚さ35mmまでの舗装材を充填できます。
- 総重量2,000kgfまでの車両の通行が可能です。
- 100角、200角タイルの目地割に合致します。
- 目地部は、耐久性・耐候性・美観に優れたステンレス製です。
- 受枠に排水穴が設けてあり、排水管を接続することで受枠に浸入した水を排水できます。
- 把手部の蓋にスプリングを内蔵しており、常に閉鎖状態を保持するため安全です。
 
製品図面

 
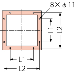
アンカーボルト取付寸法
 
 
目地幅
 
 
把手部寸法
 
 
排水管の接続
 
 
部品構成
- 蓋
 材質:FC200
 処理:樹脂系塗装
- 目地
 材質:SUS304
- 把手
 材質:SCS13
- バー
 材質:FCD500
 処理:樹脂系塗装
- 南京錠(40mm)
 材質:CAC202
- ピン
 材質:SWRM
 処理:樹脂系塗装
- ボルト
 材質:C3602W
- 中蓋
 材質:FC200
 処理:樹脂系塗装
- パッキン
 材質:クロロプレンゴム
- パッキン
 材質:エチレンプロピレンゴム
- 栓
 材質:ポリエチレン
- 枠
 材質:FC200
 処理:樹脂系塗装
- アンカー
 材質:SS400
 処理:電気亜鉛めっき
 
設計情報
- 中蓋は南京錠により施錠できます。
- 南京錠に指定等がある場合は、指定内容をご指示ください。
 
注文・発注情報
- ご注文の際は、開閉ハンドルの有無をご指示ください。
 <例>
 MRKW-600・ハンドル付
 MRKW-600・ハンドルなし
 
寸法表<単位:mm>
| 呼称 | A | B | C | H | h | t | L1 | L2 | 把手数 | 
| 600 | 460 | 600 | 680 | 150 | 40 | 6 | 400 | 650 | 2 | 
 
質量・破壊荷重・適用荷重<加重体:φ150>
| 呼称 | 質量(kg) | 舗装材充填時の 蓋質量(約・kg)
 | 中蓋質量(kg) | 破壊荷重 | 適用荷重 | 
| 600 | 91 | 57 | 13 | 20kN以上 | T-2 |