





| みぞ幅 | グレーチング SMQL | 受枠 SL-AC | ||||||||
|---|---|---|---|---|---|---|---|---|---|---|
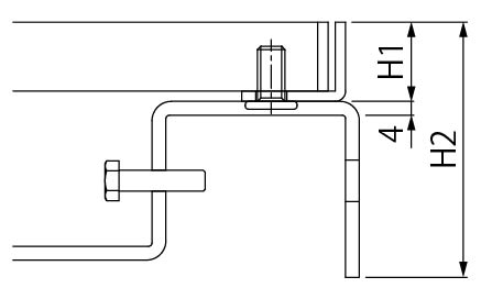
| 呼称 | W1 | W2 | h | 質量(kg) | 適用荷重(側溝用) | 呼称 | H1 | H2 | BP | |
| 150 | 12020 P=30 | 150 | 200 | 20 | 5.8 | T-14 | U15 | 23 | 70 | 167 |
| 180 | 12520 P=30 | 200 | 250 | 20 | 7.2 | T-2 | U18 | 23 | 74 | 217 |
| 12525 P=30 | 200 | 250 | 25 | 9.0 | T-6 | U18 | 28 | 79 | 217 | |
| 12532 P=30 | 200 | 250 | 32 | 11.3 | T-14 | U18 | 35 | 86 | 217 | |
| 240 | 13520 P=30 | 300 | 350 | 20 | 9.7 | 歩行用 | U24 | 23 | 78 | 317 |
| 13525 P=30 | 300 | 350 | 25 | 12.2 | T-2 | U24 | 28 | 83 | 317 | |
| 13532 P=30 | 300 | 350 | 32 | 15.2 | T-2 | U24 | 35 | 90 | 317 | |
| 13538 P=30 | 300 | 350 | 38 | 17.9 | T-6 | U24 | 41 | 96 | 317 | |
| 300 | 14020 P=30 | 350 | 400 | 20 | 11.0 | 歩行用 | U30 | 23 | 80 | 367 |
| 14025 P=30 | 350 | 400 | 25 | 13.5 | 歩行用 | U30 | 28 | 85 | 367 | |
| 14032 P=30 | 350 | 400 | 32 | 16.7 | T-2 | U30 | 35 | 92 | 367 | |
| 14038 P=30 | 350 | 400 | 38 | 19.9 | T-2 | U30 | 41 | 98 | 367 | |
| 14050 P=30 | 350 | 400 | 50 | 25.8 | T-14 | U30 | 53 | 110 | 367 | |
| みぞ幅 | グレーチング SMQL | 受枠 SL-AC | ||||||||
|---|---|---|---|---|---|---|---|---|---|---|
| 呼称 | W1 | W2 | h | 質量(kg) | 適用荷重(側溝用) | 呼称 | H1 | H2 | BP | |
| 150 | 12020 P=22 | 150 | 200 | 20 | 7.2 | T-14 | U15 | 23 | 70 | 167 |
| 180 | 12520 P=22 | 200 | 250 | 20 | 9.0 | T-2 | U18 | 23 | 74 | 217 |
| 12525 P=22 | 200 | 250 | 25 | 11.3 | T-14 | U18 | 28 | 79 | 217 | |
| 240 | 13520 P=22 | 300 | 350 | 20 | 12.3 | T-2 | U24 | 23 | 78 | 317 |
| 13525 P=22 | 300 | 350 | 25 | 15.4 | T-2 | U24 | 28 | 83 | 317 | |
| 13532 P=22 | 300 | 350 | 32 | 19.3 | T-6 | U24 | 35 | 90 | 317 | |
| 13538 P=22 | 300 | 350 | 38 | 22.9 | T-14 | U24 | 41 | 96 | 317 | |
| 300 | 14020 P=22 | 350 | 400 | 20 | 13.7 | 歩行用 | U30 | 23 | 80 | 367 |
| 14025 P=22 | 350 | 400 | 25 | 17.2 | T-2 | U30 | 28 | 85 | 367 | |
| 14032 P=22 | 350 | 400 | 32 | 21.6 | T-2 | U30 | 35 | 92 | 367 | |
| 14038 P=22 | 350 | 400 | 38 | 25.6 | T-6 | U30 | 41 | 98 | 367 | |
| 14050 P=22 | 350 | 400 | 50 | 41.1 | T-14 | U30 | 53 | 110 | 367 | |
| みぞ幅 | グレーチング SMQL | 受枠 SL-AC | ||||||||
|---|---|---|---|---|---|---|---|---|---|---|
| 呼称 | W1 | W2 | h | 質量(kg) | 適用荷重(側溝用) | 呼称 | H1 | H2 | BP | |
| 150 | 12020 P=15 | 150 | 200 | 20 | 9.8 | T-14 | U15 | 23 | 70 | 167 |
| 180 | 12520 P=15 | 200 | 250 | 20 | 11.3 | T-14 | U18 | 23 | 74 | 217 |
| 240 | 13520 P=15 | 300 | 350 | 20 | 16.8 | T-2 | U24 | 23 | 78 | 317 |
| 13525 P=15 | 300 | 350 | 25 | 21.1 | T-2 | U24 | 28 | 83 | 317 | |
| 13532 P=15 | 300 | 350 | 32 | 26.6 | T-14 | U24 | 35 | 90 | 317 | |
| 300 | 14020 P=15 | 350 | 400 | 20 | 19.0 | T-2 | U30 | 23 | 80 | 367 |
| 14025 P=15 | 350 | 400 | 25 | 23.7 | T-2 | U30 | 28 | 85 | 367 | |
| 14032 P=15 | 350 | 400 | 32 | 30.0 | T-14 | U30 | 35 | 92 | 367 | |
| みぞ幅 | グレーチング SMQL | 受枠 SL-AC | ||||||||
|---|---|---|---|---|---|---|---|---|---|---|
| 呼称 | W1 | W2 | h | 質量(kg) | 適用荷重(側溝用) | 呼称 | H1 | H2 | BP | |
| 150 | 12020 P=13 | 150 | 200 | 20 | 11.1 | T-14 | U15 | 23 | 70 | 167 |
| 180 | 12520 P=13 | 200 | 250 | 20 | 12.9 | T-14 | U18 | 23 | 74 | 217 |
| 240 | 13520 P=13 | 300 | 350 | 20 | 19.0 | T-2 | U24 | 23 | 78 | 317 |
| 13525 P=13 | 300 | 350 | 25 | 23.8 | T-6 | U24 | 28 | 83 | 317 | |
| 13532 P=13 | 300 | 350 | 32 | 30.1 | T-14 | U24 | 35 | 90 | 317 | |
| 300 | 14020 P=13 | 350 | 400 | 20 | 21.5 | T-2 | U30 | 23 | 80 | 367 |
| 14025 P=13 | 350 | 400 | 25 | 26.8 | T-2 | U30 | 28 | 85 | 367 | |
| 14032 P=13 | 350 | 400 | 32 | 34.0 | T-14 | U30 | 35 | 92 | 367 | |



