カネソウのクリーンピット情報はこちら
クリーンピット グレーチング
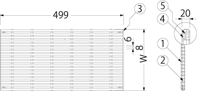
ステンレス製 ボルト固定式 縦目タイプ 細目ノンスリップタイプ(ローレット模様)グレーチング(すきま6mm)
製品符号:YQL-H-A-20
製品の特徴
- ボルト固定により、ガタツキや音の発生を防止します。
- メインバーに切り欠きがなく、メインバー端部で手を切る恐れなどがないため、安全性が高く、外観にも優れます。
- ピット蓋から固定ボルトが外れない構造で、清掃などの蓋開閉時にボルトを溝内に落下させたり、紛失する恐れがありません。
- メインバーのすきまは、ハイヒールのかかとが落ちにくく、子供の指も入りにくい6mmです。
- グレーチング高さは、台車などが通る場所に適している高さ20mmです。
- メインバーが縦目タイプなので、水切れが良く、バルコニーや浴室の出入口などに適しています。
- ピット蓋の強度基準は両端自由支持の状態で建築基準法施行令第85条の積載荷重に基づき、3,500N/uの等分布荷重に耐える仕様です。
- 受枠のボルト固定部は、土や埃が溜まりにくい形状です。
- 受枠上側に六角ナットが溶接固定されており、施工の際、ナット部にコンクリートのノロなどが入りにくい構造です。
- 滑り抵抗係数C.S.R=0.5以上を確保したノンスリップタイプです。

製品図面

メインバー形状

固定ボルト部詳細図

蓋詳細図

部品構成
- メインバー
材質:SUS304
- クロスバー
材質:SUS304
- サイドバー
材質:SUS304
- 六角穴付ボタンボルト(M6)
材質:SUS304
- ベースプレート
材質:SUS304
別売部品
適合受枠
設計情報
- バリアフリー対応の納まりに適したグレーチングです。
- 端尺の場合、メインバー端部において、すきま調整をいたします。端尺のすきまを全て等間隔で希望される場合は、ご指示願います。
販売情報
- 六角穴付ボタンボルトの締め付けは、六角棒スパナまたは六角棒スパナ ドライバータイプ(呼び4・別売)をご使用ください。
注文・発注情報
- 標準品以外も製作いたします。仕様、寸法等をご指示ください。
寸法表<単位:mm>
| 呼称 |
ピット幅 |
W |
質量(kg) |
| 150×500×20 |
100 |
150 |
2.1 |
| 200×500×20 |
150 |
200 |
2.7 |
| 250×500×20 |
200 |
250 |
3.4 |
| 300×500×20 |
250 |
300 |
4.0 |
| 350×500×20 |
300 |
350 |
4.5 |
受枠 価格
| 製品符号 |
価格(円/m) |
| RL-20RQ |
6,800 |
※片側1m当りの価格です。
※価格には消費税は含まれておりません。